Notice: Any messages purporting to come from this site telling you that your password has expired, or that you need to verify your details, confirm your email, resolve issues, making threats, or asking for money, are
spam. We do not email users with any such messages. If you have lost your password you can obtain a new one by using the
password reset link.
Due to spam on this forum, all posts now need moderator approval.
Entire forum
➜ Electronics
➜ Microprocessors
➜ 74HC4051 multiplexer / demultiplexer
|
74HC4051 multiplexer / demultiplexer
|
Postings by administrators only.
Refresh page
| Posted by
| Nick Gammon
Australia (23,173 posts) Bio
Forum Administrator |
| Date
| Thu 14 Mar 2013 06:33 AM (UTC) Amended on Thu 30 Jul 2015 07:58 PM (UTC) by Nick Gammon
|
| Message
| The 74HC4051 is a useful device which can multiplex (mux) or demultiplex (demux) up to 8 analog signals into a single analog signal.
It has a 16-bit cousin, the 74HC4067, which can be used to mux/demux up to 16 signals.
Pinouts

Multiplexing
Multiplexing is choosing from one of various lines (one at a time) and forwards its contents down a single line.
http://en.wikipedia.org/wiki/Multiplexer
Example:

In this case by setting the A/B/C lines to have 2 (in binary), that is 010, then line 02 (pin 15) is chosen to be the "active" line, and whatever voltage is on it is forwarded to the "common" in/out line (pin 3).
Note: A is the low-order bit. So therefore if you set A and B high, and C low, you would activate channel 3, not channel 6.
Demultiplexing
Demultiplexing is doing the reverse operation. A single input line is forwarded to one of many output lines.
Example:

In this case by setting the A/B/C lines to have 7 (in binary), that is 111, then line 07 (pin 4) is chosen to be the "active" line, and whatever voltage is on the "common" in/out line (pin 3) is forwarded to it.
How does it know which direction to go?
The device is bi-directional. If you have a signal on one end of the pair (the selected line, and the common line) then that signal is echoed on the other end.
Effectively the selected channel has around a 80 ohm resistance (between the selected pin and the common pin) achieved by side-by-side MOSFETs (one P-channel and one N-channel). The unselected channels have a very high resistance between them and the common pin.
So you could use it, for example, to connect up 8 analog inputs, and connect them up to a single analog port on your microprocessor (eg. your Arduino). The Arduino does not generate analog outputs (the so-called analogWrite function actually does digital pulse-width modulation or PWM) so the device isn't quite as useful as an output device.
However you could conceivably connect up LEDs to some of the pins and flash them from time to time, interleaving with taking analog readings.
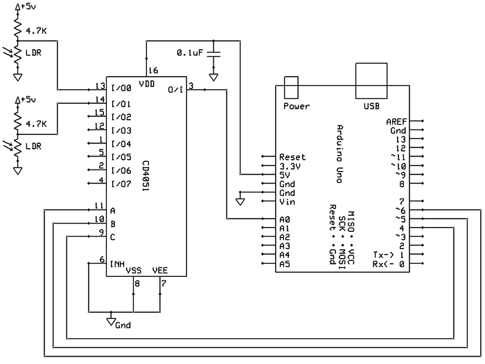
Suggested wiring
Below is an example schematic for reading multiple LDR (light dependent resistors) using a single analog port. Of course, in this case, it is quite a few Arduino pins (4) to read two sensors, but once you start extending it to 8 sensors you start to save pins. Also in this particular example, if you only had two sensors you would only need to control the "A" pin on the multiplexer, and tie the other two to Gnd (so that they were zero).

Example of the above wiring:

Example code
The code below assumes you have wired up to 8 sensors as described above. It sets the "address select" lines for each of the 8 lines and takes a reading.
// Example of using the 74HC4051 multiplexer/demultiplexer
// Author: Nick Gammon
// Date: 14 March 2013
const byte sensor = A0; // where the multiplexer in/out port is connected
// the multiplexer address select lines (A/B/C)
const byte addressA = 6; // low-order bit
const byte addressB = 5;
const byte addressC = 4; // high-order bit
void setup ()
{
Serial.begin (115200);
Serial.println ("Starting multiplexer test ...");
pinMode (addressA, OUTPUT);
pinMode (addressB, OUTPUT);
pinMode (addressC, OUTPUT);
} // end of setup
int readSensor (const byte which)
{
// select correct MUX channel
digitalWrite (addressA, (which & 1) ? HIGH : LOW); // low-order bit
digitalWrite (addressB, (which & 2) ? HIGH : LOW);
digitalWrite (addressC, (which & 4) ? HIGH : LOW); // high-order bit
// now read the sensor
return analogRead (sensor);
} // end of readSensor
void loop ()
{
// show all 8 sensor readings
for (byte i = 0; i < 7; i++)
{
Serial.print ("Sensor ");
Serial.print (i);
Serial.print (" reads: ");
Serial.println (readSensor (i));
}
delay (1000);
} // end of loop
What do the Vee and Inh pins do?
The Vee pin is the "negative supply". You could supply a negative voltage (eg. -5V) and then the device could copy an AC signal (from -5V to +5V). If you don't need to do that, and the Arduino does not take negative inputs anyway, just connect Vee to ground.
The Inh pin "inhibits" output (in both directions) if it is high. So to leave the chip active, just connect it to ground.
Screenshot of it in operation
This shows the device "mirroring" an input signal (in yellow - Channel 1) to the output (in blue - Channel 2). There is a slight lag (around 5 nS) between input and output.
 |
- Nick Gammon
www.gammon.com.au, www.mushclient.com | | Top |
|
The dates and times for posts above are shown in Universal Co-ordinated Time (UTC).
To show them in your local time you can join the forum, and then set the 'time correction' field in your profile to the number of hours difference between your location and UTC time.
82,114 views.
Postings by administrators only.
Refresh page
top